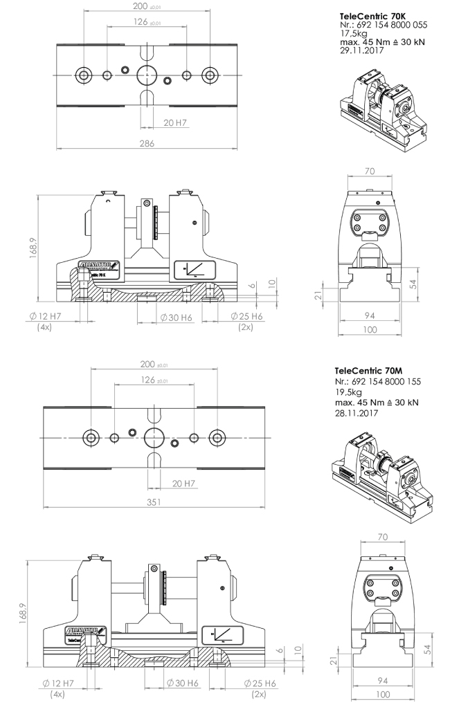
Disturbing contours-free access from all sides! Due to the construction type and the centric telescopic spindle, the disturbing contours remain independent of the chuck capacity.
The quick change jaw system fitted as standard reduces tooling times and increases flexibility.
Quick change jaw system, tool-free jaw change due to quick-action closure within 10 seconds per jaw pair.
D-1/18,M.I.D.C, Ambad, Nashik-422010, India
+ 91 9922448079 / + 91 9130099422
sales@amtplindia.com
If you have any Inquiries, WhatsApp us