Technical data
Star set-ups, single
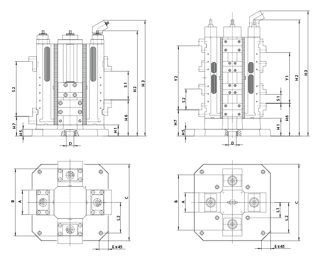
Dimensions/tolerances in mm
| A | B | C | D | E | L1 | L2 | H1 | H2 | H3 |
| 90 | 90 | 310 | 350 | 50 H6 | 125 | 80 | - | 120 | 460 | 523 |
| 125 | 126 | 460 | 500 | 50 H6 | 60 | 126 | 160 | 83 | 566 | 635 |
| 160 | 160 | 440 | 500 | 50 H6 | 60 | 100 | 200 | 72 | 687 | 755 |
| H5 | H6 | H7 | Y1 | Y2 | S1 | S2 | Weight |
| 45 | 216 | 157 | - | - | 0-126 | 91-216 | 140kg |
| 45 | 227 | 136 | - | - | 0-182 | 131-313 | 190kg |
| 45 | 236 | 128 | - | - | 17-263 | 187-433 | 370kg |
Locking ring position, Star set-ups, single
| | 0 | 1 | 2 | 3 | 4 | 5 |
| Jaw width 90 | kN | - | 3,5 | 6 | 8 | 10 | 12 |
| Jaw width 125 | kN | direct | 10 | 20 | 30 | 40 | - |
| Jaw width 160 | kN | direct | 15 | 30 | 45 | 60 | - |
| 6 | 7 | 8 | 9 | 10 | 11 |
| 14 | 16 | 18 | 20 | 22 | 24 |
| - | - | - | - | - | - |
| - | - | - | - | - | - |
Star set-ups, DUO
Dimensions/tolerances in mm
| A | B | C | D | E | L1 | L2 | H1 | H2 | H3 | |
| 90 | 90 | 310 | 350 | 50 H6 | 125 | 80 | - | 120 | 602 | 667 |
| 125 | 126 | 460 | 500 | 50 H6 | 60 | 100 | 200 | 115 | 758 | 818 |
| H5 | H6 | H7 | Y1 | Y2 | S1 | S2 | Weight |
| 45 | 192 | 167 | 256 | 306 | 0-64 | 56-120 | 165kg |
| 45 | 214 | 171 | 331 | 417 | 0-89 | 82-171 | 340kg |
Locking ring position, Star set-ups, DUO
| | 0 | 1 | 2 | 3 | 4 | 5 | 6 |
| Jaw width 90 | kN | - | 4 | 8 | 12 | 16 | 20 | 24 |
| Jaw width 125 | kN | direct | 10 | 20 | 30 | 40 | - | - |