Material : Cast Iron GG30(DIN)/ High Strength Aluminum Casting
Heat Treated (Normalized)
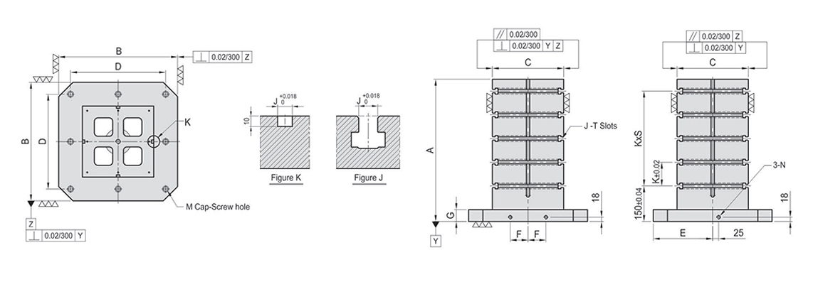
Features : 1) T-Slots available in M14 & M18
2) T-Slots running horizontally
3) Key-way running vertically
4) Easily adapts to standardized jig components.
5) Eye bolt & top cover included.
Application : Horizontal machining center.

| Model No. | A | B | C | D | E | F | G | M | N | K | S | Mounting Holes | Weight in kg | |
|---|---|---|---|---|---|---|---|---|---|---|---|---|---|---|
| Cast Iron | Aluminium | |||||||||||||
| TST/SQ/250 | 500 | 400 | 250 | 320 | 200 | 55 | 50 | M16 | M16 | 100 | 3 | 4 | 160 | 61 |
| 650 | 210 | 84 | ||||||||||||
| TST/SQ/300 | 600 | 500 | 300 | 400 | 250 | 75 | 50 | M16 | M16 | 100 | 4 | 8 | 270 | 86 |
| TST/SQ/350 | 700 | 630 | 350 | 500 | 315 | 100 | 50 | M16 | M16 | 125 | 4 | 8 | 375 | 136 |